高压负荷开关

FN12-12D和FN12-12DR户内高压负荷开关

产品概述

FN12-12D和FN12-12DR组合电器是额定电压12KV、额定频率50Hz的三相高压开关设备用于分合负荷电流、闭环电流、空载变压器和电缆充电电流、关合短路电流、熔断器组合电器可开断短路电流,配装接地开关的负荷开关,可以承受短路电流,主要用于三相环网或 终端供电的市区配电站和工业用电设备中,作负荷控制和短路保护之用。

●型号含义

●主要技术参数 

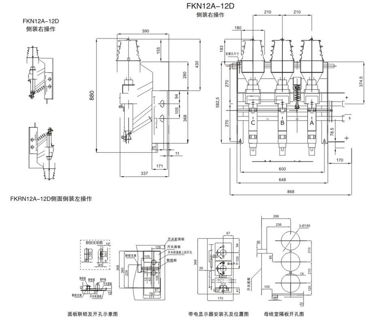
●外形及安装尺寸

版权 © 2015 陕西森源智能科技有限公司 米点科技