

●产品型号

●结构特点
1.局部放电值低
由于线圈在真空状态下浇注,极大地防止线圈内气泡的产生,所以局部放电量完全达到国家的有关标准规定。
2.耐雷电冲击能力强
雷电冲击电压沿绕组的起始分布影响变压器绕组绝缘的损坏程度,箔式绕组起始电压分布接近线性,因此,我公司的变压器具有很好的 耐雷电冲击能力。
3.抗短路能力强
低压绕组的铜箔宽度就是电抗高度,低压电流按绕组间的安匝平衡要求区配,高、低压绕组因短路引起的轴向力几乎为零。抗开裂性能 好我公司变压器采用填料型树脂和全铜箔结构,绝缘材料与铜导体热膨胀系数最相近,有效防止线圈幵裂。公司已进行了各种抗开裂试 验,如冷热交变试验,热冲击试验和快速老化试验,试验结果表明我公司的技术尤其能满足低温、高温及温度变化范围大的使用场合, 并且能满足长期运行后的抗幵裂要求。
4.过负载能力强
若相同容量的变压器负载损耗相等,则铜箔的截面积将相应放大,体积增大后,填料树脂用量多,因此绕组的热容性大,变压器短时 过载能力强。
5.阻然特性好
采用真料型树脂浇注工艺有利于环境保护,公司变压器具有免维护、防潮、抗湿热、阴燃和自熄特性。在电弧的高温烯烧下,不产生任 何有毒气体。公司优异的阻燃特性在燃烧试验中得到证实。
公司产品具有很好的环境适应能力,按欧洲HD464标准,满足环境等级为E2,耐候等级为FC2,阻燃等级为F1,可用于商住区,地铁、 电厂、轮船、海洋钻并平台等各种环境及使用条件恶劣的场所。
6.噪声低
我公司变压器采取一些特殊的结构和设计,使得噪声大大降低,其整体噪声水平较国家专业标准中的矂声值低10-13dB(A)以上。
7.损耗低
SCB9系列与国内通常使用的“8"型产生相比,总损耗平均降低10~ 15%。具有很好的经济效益。
SC(B)10/11系列10kV级环氧树脂浇注干式变压器
30kVA ~ 2500kVA干式浇注变压器技术参数

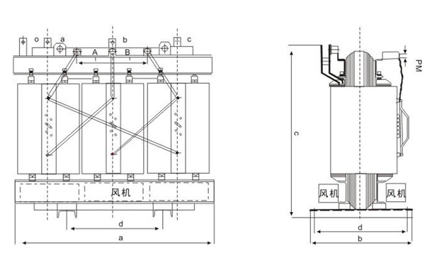
干式变压器外形尺寸图

注:1、高压出线端子Md、当容量SN<2000kVA时,Md = M12;当SN≥2000kVA时,Md=M16。
2、低压端子为不对称结构,图中含有k1、k2参数。
3、变压器为不带小车结构,如需带小车时则高度相应增力卩100mm。
4、强迫风冷系统(风机)尺寸不超过本体尺寸(axb)范围.
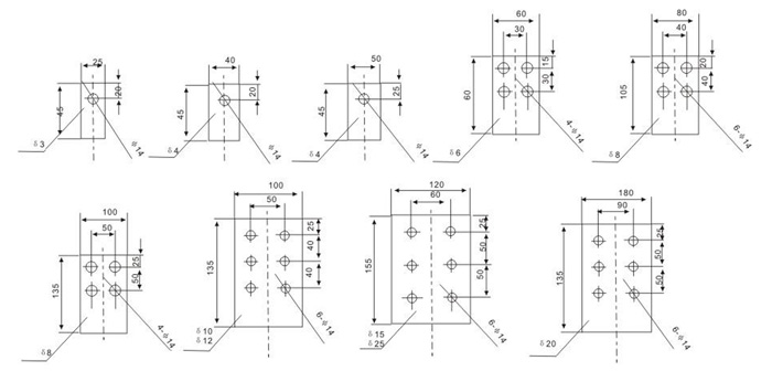
低压接线端子图

