
本型电压互感器是户内环氧树脂浇注半封闭式产品,适用于 额定频率50Hz额定电压10kV及以下的电力系统中作电压、电能 测量及继电保护用。
●结构特点
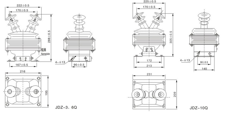
JDZ(J)-3. 6、10Q型互感器为环氧树脂半浇注封闭的全绝缘产 品。铁芯采用优质冷乳挂钢片叠装而成。互感器绝缘由环氧树脂组成, 体积小、重量轻,安装仅占有限空间。所有绕组完全浇注在环氧树脂 中,具有优良的绝缘性能,耐冲击和机械压力,并可以保护绕组不受 潮。一次绕组引出线端子的标志为A、B; 二次绕组引出线端子的标 志为a、b,均在浇注体上清晰注成。在夹件上的接地标志旁有接地 螺栓供接地用,下部支架供安装用。整体结构紧凑,使用方便。
JDZ(J卜3、6、10Q型电压互感器的连接组标号为1/1/1/-12-12, 三台单相电压互感器连接组为Y0/Y0/12-11(剩余电压绕组接成开口三 角形)。
●技术参数
1.产品标准:GB1207-2006;
2.污秽等级:II级;
3.负荷功率因数:COSφ =0.8(滞后);
●型号含义

●外形及安装尺寸

