其他高压系列

JDZX9-3、6、10单相全封闭全绝缘浇筑电压互感器

产品概述

JDZX9-3、6、10G系列为环氧树脂浇注全绝缘全封闭户内装罝电压互感器,适用于50Hz、10kV及以下的中性点非有效接地系统中 作电压、电能、测量保护之用。

●型号含义

●主要技术参数

1.产品标准:GB1207-2006;

2.污秽等级:II级:

3.负荷功率因数:COSφ=0.8(滞后);

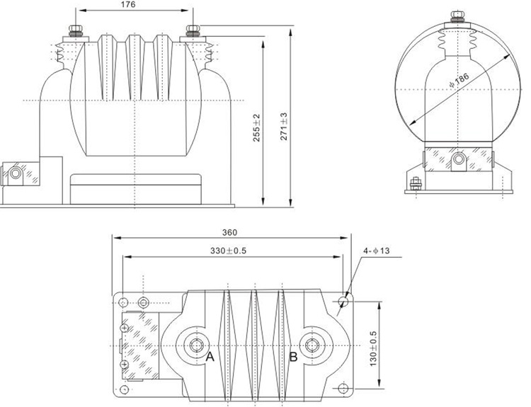
●外形及安装尺寸


版权 © 2015 陕西森源智能科技有限公司 米点科技