
VEP-12型固封式真空断路器系户内高压开关设备.适用于额定电压12千伏、频率50Hz的三相电力系统中.作为保护和控制电器使用,
由于真架空断路器的特殊优越性,尤其适用于需要额定电流下的频繁操作,或多次开断短路电流的场所。
VEP-12型固封式真空断路器采用操动机构与断路器本体一体式设计,即可作为固定安装单元,也可配有专用推进机构,组成手车单元作用
● 型号含义

● 性能优点
该型产品为模块式操作机构,主绝缘采用固体绝缘,真空灭弧室整
体浇注在环氧树脂绝缘间内,采用该结构大大提高了产品的绝缘性能,
能满足潮湿和高海拔等环境条件要求。
● 使用环缆
a . 周围空气温度:上限+50 ℃ ,下限-30 ℃ ;
b .海拔高度:≤3000m(若需增高海拔,则额定绝缘水平相应提高);
C . 振幅: 地震烈度不超过8度;
d . 空气相对湿度日平均值不大子95% , 月平均值不大于90%;
e . 无火灾、爆炸危险、严重污染、化学腐蚀及剧烈震动的场所
● 主要技术参数

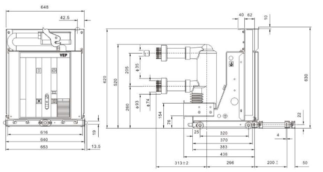
● 外形及安装尺寸

