首 页
公司简介
产品中心
新闻中心
资质荣誉
营销网络
电子样本
产品防伪
在线订单
联系我们
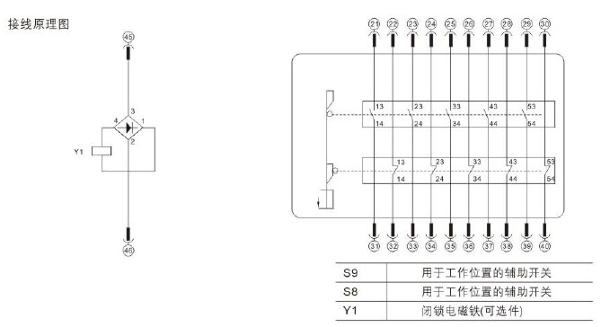
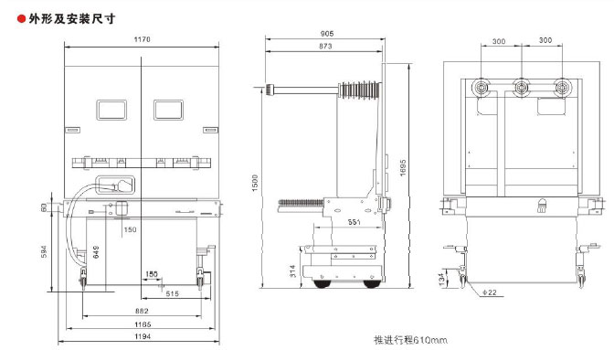
户内高压真空断路器
ZN85-40.5手车系列
产品概述
上一个产品
下一个产品
版权 © 2015 陕西森源智能科技有限公司
米点科技