
ZN口-40.5型系列固封极柱式户内高压真空断路器,可与KYN61 -40.5开关柜配套使用.是目前40.5KV电压系统最新型供、配电设备。
产品符合GB1984标准。
● 结构特点
该断路器将固封极柱和模块化一体机构有机结合,有别与敞开式真空断路器和绝缘筒式真空断路器;
1 .其将其空灭弧窒以及导电回路连接用环氧树脂通过特殊的工艺包封成极柱。
2 .然后与一体式模块化机构组装成断路器。
3 .具有卓越的机械、电气性能、代表了当今世界上中压真空断路器的设计、制造的先进水平。
4 .该断路器具有固定式、中置式和落地式三类安装方式均可十分方便实现可靠的"五防"联锁。可直接安装在各类型的固定式开关柜、可
移开式开关柜和落地式开关柜内。
● 结构特点
ZN口-405型固封极柱的设计充分考虑了中国市场和一些特殊地区的要求,利用固体绝缘的优势各先进的APG工艺,将真空灭弧室、
主导电回路及绝缘支撑等有机的组合成-个集成固封极柱.这不仅简化了极柱装配工艺. 这不仅简化了极柱装配工艺,防止巢空灭弧室导
电回路连接螺栓由于运行中的振动而导致松动。提高了可靠性.而且使真空灾弧室外表面的运行环境下引起的绝缘水平的降低进而引起真
空断路器在分闸状态下真空灭弧室沿面闪烁的事故隐患得以消除。所以.极拴在断路器的使用寿命内是完全免维护的.同时.断路器的固
定绝缘从一定程度上替代了SF6气体作为外绝缘的需要,因而更加环保,代表着当今世界上中压真空断路器设计、制造的先进水平。
● 使用环境条件
1 环境温度: 上限+40℃. 且24h内侧得的平均值不超过35℃.下限-15℃;
2 海拔高度: ≤4000m ,超过4000m. 须在订货时说明要进行高海拔修正。
3.相对湿度: 日平均值不超过95%; 月平均值不超过90%;
4 水蒸气压力: 日平均假不超过2.2kPa ,月平均值不超过1.8kPa ;
5 使用环境: 周围空气没有明显地收到尘埃、烟、腐蚀性或者可燃性气体、蒸汽和盐雾的污染。
● 主要技术参数

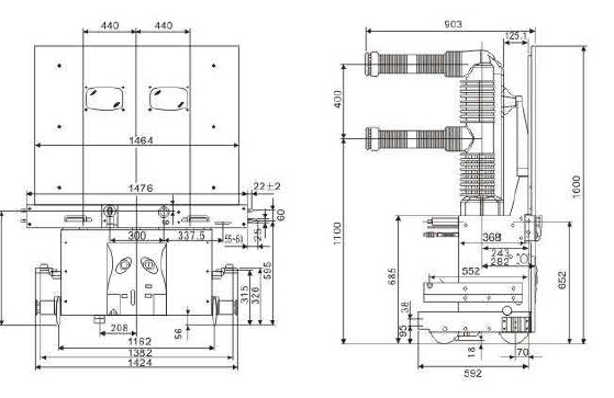
● 高原型落地式外形安装尺寸图

